| 流量范圍 [m3/h] |
Q=1~240m3/h |
| 揚程 [m] | H=6~400m |
| 電機功率 [kW] | N=0.37kW~110kW |
| 水泵效率 [%] | η=32%~75% |
| 液體溫度 [℃] | -15℃~+120℃ |
| 進出口聯接圓法蘭規格 | DN25~DN150 |
| 說明 |
QDL2 |
QDL4 | QDL8 | QDL12 | QDL16 | QDL20 | QDL30 | QDL42 | QDL60 | QDL90 | QDL120 | QDL150 | QDL200 |
| 頻率 | 50HZ | ||||||||||||
|
額定流量[m3/h] |
2 | 4 | 8 | 12 | 16 | 20 | 30 | 42 | 60 | 90 | 120 | 150 | 200 |
| 流量范圍 [m3/h] | 1~3.6 |
1.8~7 |
5~11 |
8~16 |
8~22 |
12~28 |
22~40 |
30~54 |
45~75 |
72~108 |
60~150 |
80~180 |
100~240 |
| 最大壓力[bar] | 21 | 21 | 24 | 23 | 24 | 25 | 26 | 26 | 24 | 18 | 18 | 18 | 18 |
| 電機功率[kW] | 0.37~4 | 0.37~4 | 0.75~7.5 | 0.75~11 | 1.1~15 | 1.1~18.5 | 2.2~30 | 3~37 | 4~45 | 11~55 | 11~75 | 11~75 | 18.5~110 |
| 溫度范圍[℃] | -15℃~+120℃ | ||||||||||||
| 類型 | |||||||||||||
|
QDL |
● | ● | ● | ● | ● | ● | ● | ● | ● | ● | ● | ● | ● |
| QDLF | ● | ● | ● | ● | ● | ● | ● | ● | ● | ● | ● | ● | ● |
| 進出口口徑: | DN25 | DN32 | DN40 | DN50 | DN50 | DN50 | DN65 | DN80 | DN100 | DN100 | DN125 | DN125 | DN150 |



| 序號 | 名 稱 | 材 料 |
| 1 | 電動機 | |
| 2 | 電機座 | 鑄鐵 |
| 4 | 機械密封 | |
| 5 | 出口導流器 | 不銹鋼 |
| 6 | 普通導流器 | 不銹鋼 |
| 7 | 帶軸承導流器 | 不銹鋼 |
| 8 | 底部導流器 | 不銹鋼 |
| 11 | 軸承內圈 | 碳化鎢 |
| 12 | 葉輪 | 不銹鋼 |
| 13 | 泵軸 | 不銹鋼 |
| 14 | 級間套 | 不銹鋼 |
| 15 | 外圓筒 | 不銹鋼 |
| 16 | 聯軸器 | 碳鋼 |
| QDLF | ||
| 3 | 泵蓋 | 不銹鋼 |
| 9 | 進出水段 | 不銹鋼 |
| 10 | 底座 | 鑄鐵 |
| QDL | ||
| 9 | 進出水段 | 鑄鐵 |

| 型號 |
配用電機 (kw) |
流量 Q(m3/h) |
8 | 9 | 10 | 11 | 12 | 13 | 14 | 15 | 16 |
| QDL12-20 | 1.5 |
揚程 H(m) |
23 | 22.5 | 22 | 21 | 20 | 18.5 | 17 | 15.5 | 14 |
| QDL12-30 | 2.2 | 35 | 34 | 33 | 31.5 | 30 | 28 | 26 | 23.5 | 21 | |
| QDL12-40 | 3 | 46 | 45 | 44 | 42 | 40 | 37 | 34 | 31 | 28 | |
| QDL12-50 | 3 | 58 | 56.5 | 55 | 52.5 | 50 | 46.5 | 43 | 39 | 35 | |
| QDL12-60 | 4 | 70 | 68 | 66 | 63 | 60 | 56 | 52 | 47 | 42 | |
| QDL12-70 | 5.5 | 82 | 79.5 | 77 | 73.5 | 70 | 65.5 | 61 | 55 | 49 | |
| QDL12-80 | 5.5 | 94 | 91 | 88 | 84 | 80 | 75 | 70 | 63 | 56 | |
| QDL12-90 | 5.5 | 106 | 103 | 100 | 95.5 | 91 | 85 | 79 | 71.5 | 64 | |
| QDL12-100 | 7.5 | 118 | 114.5 | 111 | 106 | 101 | 94.5 | 88 | 80 | 72 | |
| QDL12-110 | 7.5 | 129.5 | 125.5 | 122 | 116.5 | 111 | 104 | 97 | 88 | 79 | |
| QDL12-120 | 7.5 | 141 | 137 | 133 | 127 | 121 | 113.5 | 106 | 96 | 86 | |
| QDL12-130 | 11 | 153 | 148.5 | 144 | 137.5 | 131 | 123 | 115 | 104 | 93 | |
| QDL12-140 | 11 | 165 | 160 | 155 | 148 | 141 | 132.5 | 124 | 112 | 100 | |
| QDL12-150 | 11 | 177 | 171.5 | 166.5 | 159 | 152 | 142 | 133 | 120 | 108 | |
| QDL12-160 | 11 | 189 | 183.5 | 178 | 170 | 162 | 152 | 142 | 128 | 115 | |
| QDL12-170 | 11 | 201 | 195.5 | 190 | 181 | 173 | 161.5 | 151 | 136.5 | 123 | |
| QDL12-180 | 11 | 213 | 207.5 | 202 | 192.5 | 183 | 171.5 | 160 | 145 | 130 |

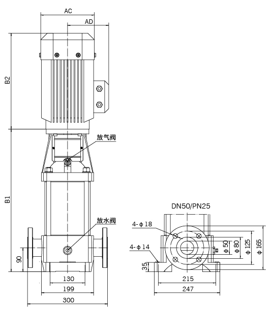
| 型號 | 尺寸(mm) |
重量 (kg) |
||||
| B1 | B2 | B1+B2 | AC | AD | ||
| QDL12-20 | 370 | 290 | 660 | 195 | 155 | 40 |
| QDL12-30 | 401 | 290 | 691 | 195 | 155 | 46 |
| QDL12-40 | 442 | 320 | 762 | 215 | 180 | 53 |
| QDL12-50 | 474 | 320 | 794 | 215 | 180 | 55 |
| QDL12-60 | 505 | 350 | 855 | 240 | 190 | 63 |
| QDL12-70 | 556 | 390 | 946 | 275 | 210 | 74 |
| QDL12-80 | 588 | 390 | 978 | 275 | 210 | 76 |
| QDL12-90 | 619 | 390 | 1009 | 275 | 210 | 78 |
| QDL12-100 | 650 | 390 | 1040 | 275 | 210 | 88 |
| QDL12-110 | 681 | 390 | 1071 | 275 | 210 | 90 |
| QDL12-120 | 713 | 390 | 1103 | 275 | 210 | 92 |
| QDL12-130 | 832 | 505 | 1337 | 330 | 255 | 94 |
| QDL12-140 | 863 | 505 | 1368 | 330 | 255 | 160 |
| QDL12-150 | 895 | 505 | 1400 | 330 | 255 | 162 |
| QDL12-160 | 926 | 505 | 1431 | 330 | 255 | 164 |
| QDL12-170 | 957 | 505 | 1462 | 330 | 255 | 166 |
| QDL12-180 | 988 | 505 | 1493 | 330 | 255 | 168 |